提起电压互感器,想必大部分电气人员都非常熟悉了,但是如果说到电压互感器的接线方式,可能不少电气人员都是一知半解的。电压互感器(PotentialTransformer)也称仪用变压器,PT。它的主要作用是把高电压按比例关系变换成100V或更低等级的标准二次电压,供保护、计量、仪表装置取用。同时,使用电压互感器可以将高电压与电气工作人员隔离。电压互感器虽然也是按照电磁感应原理工作的设备,但它的电磁结构关系与电流互感器相比正好相反。所以说电压互感器是发电厂、变电所等输电和供电系统不可缺少的一种电器产品。
我们都知道电压互感器通常与电能表、电压表、多功能电力仪表及保护继电器等连接、如果电压互感器接线错误,会造成计量不准确、继电保护装置不能反映网络中的故障而误动或拒动。另外,电压互感器选用不当,同样会造成上述情况,甚至危害人员生命安全。那么电压互感器应该怎么正确使用?接线方法又是怎样的呢?下面本文以图文并茂方式给大家详细讲一讲,以供广大电气人员参考学习。
01电压互感器各端子的标志是什么意思?
▼
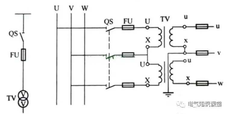
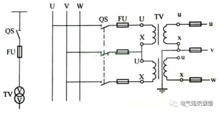
02电压互感器的接线方式有几种?具体有哪些特点?
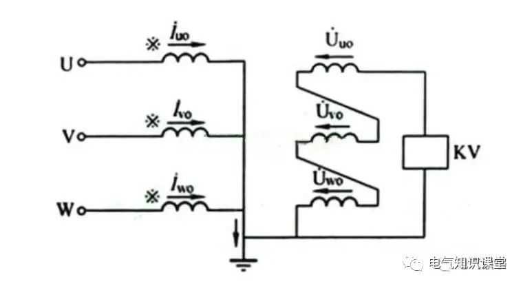
03电压互感器正确接地的方式是什么?
工作接地、保护接地、保护接零及低压配电系统接地形式详解
防雷接地单面焊接与双面焊接的比较及钢筋焊接验收规程
关于“接地”和“接零”的总结(建议收藏)
一文讲清楚:保护接地和保护接零
接触器是什么原理和构造?接触器自锁应该如何接线?图文解说
静电跨接的作用是什么?哪些地方需要做静电跨接?如何做静电跨接
防雷接地中,一般接地电阻要求是多少?
“保护接地”与“保护接零”的方案取舍和性能比较
颜真卿《臧怀恪神道碑》,明拓高清字帖。
唐顏真卿書《臧懷恪碑》,全稱《唐故右武衛將軍贈工部尚書上柱國上蔡縣開國侯臧公神道碑銘》,顏真卿撰文並書,全碑通高370釐米,寬180釐米,碑陽共28行,每14至68字不等。碑石立于陝西省三原縣,1980年移置於今西安碑林。碑文未書明立石年月。宋趙明誠、李清照《金石録》以為大曆中立。:hover{te...
1950 年代中国乡村——诗意乡村
在城市化进程背景下,越来越多的人离开乡村进入城市安家落户,很多乡村出现空心化或凋零的现象。中国传统乡村离我们越来越远,传统乡村生活将来不可避免地只能存在于我们的记忆中。1950年代,新中国刚刚成立,中国80%的人口生活在农村,乡村生活是那个年代的主流和主旋律。日作夕还家,烟火青林下。虽然辛苦,其乐无...
晒晒来自上帝后花园的玉石-独龙玉
云南怒江,被称为众神居住之地,在这片美丽的世外桃源除了有美丽的风景,稀有的药材之外还出产很多美丽的石头,是玩石者的乐园,怒江出产的美丽石头包扩碧玺,水晶,汉白玉,贡山羊脂玉,怒江独龙玉等。高冰种独龙玉手镯怒江独龙玉来自独龙江两岸的高山峡谷之间,在地质学上称含铬云母石英岩。是天然水晶的一种,属东陵玉。...
榆中县美术家协会作品展
“翰墨飘香寄新年,丹青吐彩歌盛世”,为认真学习贯彻落实习近平总书记在党的十九大提出的文化强国方针,在榆中县委宣传部、县文体局、县文化馆、县文联的正确领导与社会各界的支持下,我县美协本着团结务实,发展业务,整体提升的宗旨,卓有成效的开展了各项工作,并于近期组织征集了部分美术作品进行网络展示交流,旨在展...