直流升压就是将电池提供的较低的直流电压,提升到需要的电压值,其基本的工作过程都是:高频振荡产生低压脉冲——脉冲变压器升压到预定电压值——脉冲整流获得高压直流电,因此直流升压电路属于DC/DC电路的一种类型。
一、几种简单的直流升压电路
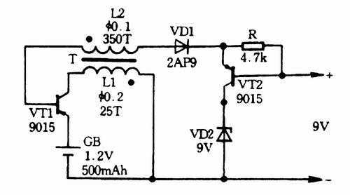
以下是几种简单的直流升压电路,主要优点:电路简单、低成本;缺点:转换效率较低、电池电压利用率低、输出功率小。这些电路比较适合用在万用电表中,替代高压叠层电池。
二、24V供电CRT高压电源
一些照相机CRT使用11.4cm(4.5英寸)纯平面CRT作为显示部件,其高压部件的阳极电压为+20kV,聚焦极电压为+3.2kV,加速极电压为+1000V,高压部件供电为直流24V。以下电路是为替换维修这些显示器的高压部件而设计(电路选自网络文章,原作者不详)。该电路的设计也可为其他升压电路设计提供参考。
基本原理:NE555构成脉冲发生器,调节电位器VR2可使之产生频率为20kHz左右的脉冲,电位器VR1调脉宽。TR1为推动级,脉冲变压器T1采用反极性激励,即TR1导通时TR2截止,TR1截止时TR2导通,D3、C9、VR3、R7及D4、R6、TR3组成高压保护电路。VR2用于调频率,调节VR2可调整高压大小。
VR2选用精密可调电阻。T2可选用彩电行输出变压器变通使用。笔者选用的是东洋SE-1438G系列35cm(14英寸)彩电的行输出变压器,采用此变压器阳极电压可达20kV,再适当选取R8的阻值使加速极电压为+1000V、R9的阻值使聚焦极电压为+3.2kV即可。整个部件采用铝盒封装,铝壳接地,这样可减少对电路干扰。
搞趣网:王者荣耀吉字换什么好 吉祥字符可兑换物品汇总
王者荣耀吉字换什么好?希望这篇王者荣耀吉祥字符可兑换物品汇总,能够帮到正在玩王者荣耀的玩家朋友。活动时间:2016.2.19-2016.3.5活动介绍:吉祥字符兑换娜可露露碎片,吉祥宝盒,开出丰厚好礼(字可以通过任务,各种5V5模式获得,活动结束后不可兑换,请及时使用)2个吉祥字符=娜可露露碎片(兑...
清中期 和田玉籽料 白玉 榴开百子 诗文牌 玉珮
清中期和田玉籽料白玉榴开百子诗文牌玉珮长4.2宽0.8高6.4厘米重49克牌白玉质,玉色细腻光润,抛光精良,莹润光亮,玉牌呈长方形,牌首雕如意纹,中间有穿孔。正面浮雕童子石榴,石榴果实饱满,枝叶苍翠,两个童子,喜笑颜开,表情生动,衣纹流畅,衣袖堆褶,蕴含榴开百子、多子多福的吉祥寓意。背面琢“避尘养性...
水稻高产创建成果喜人 产量再创历史纪录
水稻高产创建成果喜人产量再创历史纪录在和平镇小溪口村的水稻新品种百亩示范方内,收割机轰隆隆作响,由省农科院、市农业科技发展中心、勿忘农种业公司等组成的专家组随机抽取了三块不小于一亩的田块进行收割称重。收割后,专家组立即对测产田块进行面积测定,并用稻谷水份测定仪测得潮谷含水量。“经过测量,刚收割的水稻...
钱币大家郭若愚先生古钱收藏品鉴——大家藏泉,绝对非同一般
郭若愚是新中国成立以后闻名的文博专家,他字智龛,上海人。毕业于南洋中学、上海光华大学中文系。师从邓散木、郭沫若等几位大家学习金石、书法、绘画、篆刻、金文甲骨古籀及考古。曾执教于麦伦中学、中国中学、光华大学,后在上海市文物保管会、后一直在上海博物馆工作。文革后在上海师范大学讲授古文字学和甲骨文研究。在...